查看: 126|回复: 20

LG G8 ThinQ 3.5mm音频性能简单测试报告

[复制链接]

2

主题

3

帖子

7

积分

新手上路

Rank: 1

积分
7
发表于 2022-12-2 16:01:00 | 显示全部楼层 |阅读模式
注:此报告源于半年前的测试数据整理。
G8与G7一样,同样使用了ES9218P的独立HiFi解码+耳放Combo 芯片,与ESS正大力清库存的ES9118P相比,ESD9218采用了和ES9028Pro/ES9038Pro同代的调制器HyperStream II,并且提高了最大输出电平至2Vrms,成为了LG,(曾经的)Vivo,以及各路随身HiFi设备厂家等钟爱的解决方案,但是实际上把这个方案做得优秀的产品寥寥无几。
先来看看最贴近手机音频使用场景的32Ω负载情况:



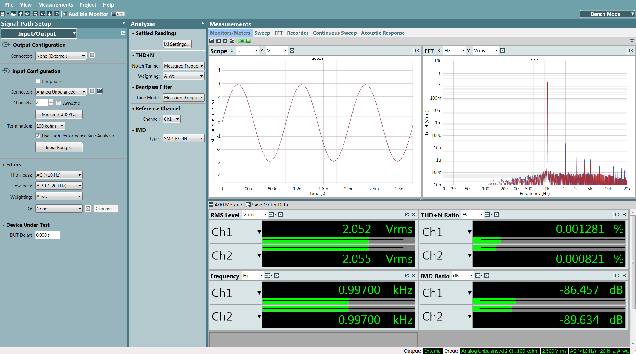
ES9218P的THD+N官方理论指标为-114dB,而LG G8做到了-109.5dB,也算是非常优秀了。不过由于欧盟听力保护规范EN50332的限制,LG G8的32Ω负载输出被降低到了只有350mV,只能说对于多数耳塞是够用的,但是对于较为难驱动的耳塞(此处为<114dBSPL/mW或<129dBSPL/Vrms的32Ω耳塞),这个推力还是稍显局促的。
300Ω负载的情况:



我们看到,虽然由于高阻负载使得阻抗检测判断为高阻,并且给出了2Vrms的满幅输出,但实际上满幅输出的时候有不小的失真,左右声道的失真比起32Ω负载的时候增加了大约1倍和2倍,这个失真情况可以用稍微调低一点输出电平来解决。
硬核的用户可以采用“骗阻”的方法,即先插入一个3.5转接头,再插入低阻耳机,使得低阻耳机也享受到足够高的输出。
对比300Ω和32Ω下串扰的表现:





我们能看到和预计一样的表现,即32Ω负载时的串扰为-69dBA,比300Ω负载时的-76dBA串扰要低,这是因为对于单端输出而言,地线的等效电阻在低阻负载下分到了更多的压降,因此造成了更高的串扰。
300Ω下的THD+N扫频:



由于加了A计权,因此在1kHz时取得最大值。
再看看动态范围:
300Ω负载时:



非常好!甚至超过了许多HiFi播放器。
32Ω负载时:



有13dB的劣化,主要是由于输出幅值的限制造成的。
同时查看一下信噪比,以免有纰漏:
300Ω负载时:



依然很好,没有明显区别。
32Ω负载时:



和DNR测试基本一样。
总的来说LG G8是一款非常不错的HiFi手机,支持32bit/384kHz的PCM和DSD128,并可以选择三种ESS自带的数字滤波器,指标上也堪当一个手机输出的标杆。如果不介意它本身作为手机的诸多短板,可以将其当作一个不错的随身播放器。
回复

使用道具 举报

2

主题

5

帖子

8

积分

新手上路

Rank: 1

积分
8
发表于 2022-12-2 16:01:30 | 显示全部楼层
话说g8、g7、v40、v50、v60这些测起来都差不多?
回复

使用道具 举报

2

主题

6

帖子

10

积分

新手上路

Rank: 1

积分
10
发表于 2022-12-2 16:02:25 | 显示全部楼层
是的
回复

使用道具 举报

5

主题

7

帖子

17

积分

新手上路

Rank: 1

积分
17
发表于 2022-12-2 16:03:08 | 显示全部楼层
都不熟,当音乐播放器买的话,哪个最划算?
回复

使用道具 举报

0

主题

5

帖子

6

积分

新手上路

Rank: 1

积分
6
发表于 2022-12-2 16:03:23 | 显示全部楼层
hifi精灵
回复

使用道具 举报

0

主题

4

帖子

0

积分

新手上路

Rank: 1

积分
0
发表于 2022-12-2 16:03:52 | 显示全部楼层
三种滤波器是喜欢哪个用哪个吗[捂脸]我一般推耳塞的时候就用的第一个
回复

使用道具 举报

2

主题

5

帖子

9

积分

新手上路

Rank: 1

积分
9
发表于 2022-12-2 16:04:35 | 显示全部楼层
v30的音质和g7也差不多吗?
回复

使用道具 举报

2

主题

5

帖子

6

积分

新手上路

Rank: 1

积分
6
发表于 2022-12-2 16:05:02 | 显示全部楼层
[捂脸]我觉得sharp好听
回复

使用道具 举报

1

主题

5

帖子

5

积分

新手上路

Rank: 1

积分
5
发表于 2022-12-2 16:05:25 | 显示全部楼层
可惜lg手机屏幕一直很差
回复

使用道具 举报

1

主题

4

帖子

6

积分

新手上路

Rank: 1

积分
6
发表于 2022-12-2 16:06:14 | 显示全部楼层
不行,搜了下,那样的还得自备手机,就是不想占用现在的手机。
回复

使用道具 举报

您需要登录后才可以回帖 登录 | 立即注册

本版积分规则

Archiver|手机版|小黑屋|八戒网

GMT+8, 2025-10-13 03:23 , Processed in 0.106020 second(s), 22 queries .

Powered by Discuz! X3.4

© 2001-2017 Comsenz Inc.

快速回复 返回顶部 返回列表